Our Dometic DOTR12CBIV microwave oven, which was actually manufactured by LG and most likely manufactured in the mid-2000 timeframe. When we purchased the RV two years ago we were informed the microwave stove light was not working. All the previous owners kept excellent records and receipts of all maintenance done on the coach, and this problem was no exception. Back in ’21 service was performed and the resultant diagnosis was a new Microwave was needed.

Due to the age of the RV, a direct replacement could not be found. Any replacement would physically need to fit into the place where the Dometic version is installed and also have to have ventilation exhaust fan in the same location so it would alight with the hole in the RV wall. We felt replacing the Microwave because the stove top light had failed seemed excessive. This led me to the internet and began my search for the service manual and hopefully a schematic showing how the stove top lamps got turned on and off.
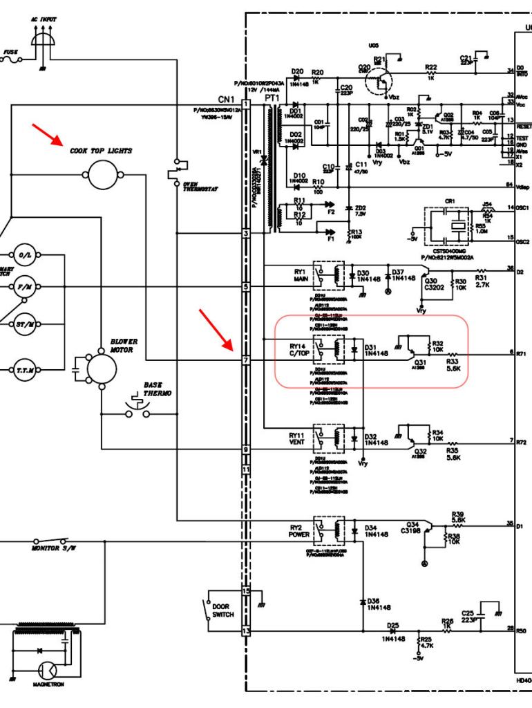
The search was fruitful and I found the full service manual for the microwave. Below is a snapshot of the suspect area;

Upon removing the controller board from the microwave I noticed a dead spider firmly attached to the area of RY14 and Q31. Initially I suspected the Q31 transistor being bad; perhaps the spider shorted it out. Later I inspected and measured the coil current on RY14 and found it be open. The relay is an older TE relay that is no longer manufactured.

Eventually eBay came to the rescue and I purchased 4 of these (new stock) for under $20. Removing the failed relay was really easy since the PCB was a single sided board.

The most difficult part of this repair was finding the relay. My first purchase from eBay resulted in the parts never arriving. My second “purchase” from my former employer resulted in the parts never materializing. My third purchase from eBay out of China resulted in the parts arriving in about 2 weeks. Total cost was about $20 and 1 hour of my time removing the board, replacing the relay, and reinstalling the board. I did my part by keeping good electronic devices out of the landfill.
Leave a comment